11άρι αυτόματο σασμάν από τη Ford
Η Ford κατέθεσε στο γραφείο ευρεσιτεχνιών μια πατέντα για 11άρι αυτόματο κιβώτιο ταχυτήτων που αργά ή γρήγορα θα πάρει το δρόμο της παραγωγής.
Τον Νοέμβριο του 2012, είχαμε ακούσει το διευθύνοντα σύμβουλο της ZF να λέει ότι ένα 9άρι αυτόματο κιβώτιο «αντιπροσωπεύει ένα “φυσικό όριο”».
Μια αξιολόγηση σχετικά με τα οφέλη που θα παρείχε μια επιπλέον ταχύτητα, σε σχέση με ό,τι αντιπροσωπεύει αυτή σε επιπλέον πολυπλοκότητα και βάρος. Ωστόσο, το Μπλε Οβάλ είχε ήδη ανακοινώσει ένα 10άρι κιβώτιο που θα έβρισκε στέγη κάτω από το καπό του F150 Raptor 2017. Και τώρα μαθαίνουμε ότι το μηχανολογικό τμήμα της Ford μελετά την προοπτική της προσθήκης μιας 11ης σχέσης.
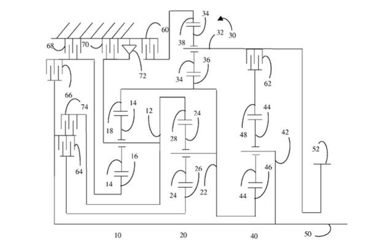
Η Ford κατέθεσε στο Γραφείο Ευρεσιτεχνιών την πατέντα στις 4 Οκτωβρίου του 2013 και τα έγγραφα αναφέρονταν σε τρεις διαφορετικές διαμορφώσεις κιβωτίου που κάνουν χρήση διαφορετικών συνδυασμών σε σχέσεις, συμπλέκτες και φρένα. Σύμφωνα με τον Paul Seredynski, εκπρόσωπο της Ford για τους κινητήρες/κιβώτια, η υποβολή της πατέντας στο ΓΕ αντιπροσωπεύει μια μέθοδο προστασίας νέων ιδεών. Ως εκ τούτου δεν είναι απαραίτητο αυτό να σημαίνει ότι η Ford εξελίσσει στην πραγματικότητα ένα 11άρι αυτόματο σασμάν.
[Πηγή autoguide.com]



